T型三通球閥
 |
| Q45F T型三通球閥 |
一、T型三通球閥 產品概述
Q45F型四閥座密封T型三通球閥造型美觀,結構緊湊合理,它不僅可實現介質流向的切換,也可使三個通道相互連通,同時也可關閉任一通道,使另外兩個通道連通,靈活控制管路中介質的合流或分流。
1、流體阻力小,其阻力系數與同長度的管段相等。
2、結構簡單、體積小、重量輕。
3、緊密可靠、密封性好,在真空系統中也已廣泛使用。
4、操作方便,開閉迅速,從全開到全關只要旋轉90°,便于遠距離的控制。
5、維修方便,球閥結構簡單,密封圈一般都是活動的,拆卸更換都比較方便。
6、在全開或全閉時,球體和閥座的密封面與介質隔離,介質通過時,不會引起閥門密封面的侵蝕。
7、適用范圍廣,通徑從小到幾毫米,大到幾米,從高真空至高壓力都可應用。
高平臺球閥按其通道位置可分為直通式,三通式和直角式。后兩種球閥用于分配介質與改變介質的流向。
二、T型三通球閥 主要性能規范
| 公稱壓力
PN(MPa) |
殼體試驗 (MPa) |
密封試驗 (MPa) |
氣密試驗 (MPa) |
| 1.6 |
2.4 |
1.76 |
0.6 (MPa) |
| 2.5 |
3.75 |
2.75 |
| 4.0 |
6.0 |
4.4 |
| CLASS150 |
3.0 |
2.2 |
| 適用工況 |
適用介質 |
水、油品、氣等非腐蝕介質和酸堿腐蝕介質 |
| 適用溫度 |
-28~350℃ |
| 應用規范 |
連接法蘭 |
JB79-59 GB9113、
HG20592-97、 ANSI B16.5 |
| 檢驗試驗 |
JB/T 9092-99 、API598 |
三、T型三通球閥 主要零件材料
| 零件名稱 |
國標材質 |
美標材質 |
| 閥體、閥蓋 |
WCB |
A216-WCB |
| 密封圈 |
PTFE、對位聚苯 |
PTFE、對位聚苯 |
| 球體 |
1Cr18Ni9Ti |
SS 304 |
| 閥座、閥桿 |
2Cr13 |
A246-416 |
| 雙頭螺栓 |
35CrMoA |
A193-B7 |
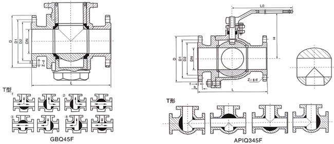
四、T型三通球閥 主要外形圖
 |
| 三通T型球閥 (結構尺寸圖) |
五、T型三通球閥 主要外形尺寸
| 型號 |
公稱通徑
DN(mm) |
尺寸(mm) |
| L |
L2 |
D |
D1 |
D2 |
b |
f |
Z-d |
H |
W |
| Q45F-16C |
15 |
150 |
72 |
95 |
65 |
45 |
14 |
2 |
4-14 |
95 |
130 |
| 20 |
160 |
80 |
105 |
75 |
55 |
14 |
2 |
4-14 |
110 |
130 |
| 25 |
180 |
90 |
115 |
85 |
65 |
14 |
2 |
4-18 |
120 |
140 |
| 32 |
200 |
100 |
135 |
100 |
78 |
16 |
2 |
4-18 |
144 |
180 |
| 40 |
220 |
110 |
145 |
110 |
85 |
16 |
3 |
4-18 |
152 |
220 |
| 50 |
240 |
120 |
160 |
125 |
100 |
16 |
3 |
4-23 |
182 |
240 |
| 65 |
260 |
130 |
180 |
145 |
120 |
16 |
3 |
4-18 |
193 |
270 |
| 80 |
280 |
140 |
195 |
160 |
135 |
20 |
3 |
8-18 |
217 |
350 |
| 100 |
320 |
160 |
215 |
180 |
155 |
20 |
3 |
8-18 |
245 |
500 |
| 125 |
380 |
190 |
245 |
210 |
185 |
22 |
3 |
8-18 |
282 |
600 |
| 150 |
440 |
220 |
280 |
240 |
210 |
24 |
3 |
8-23 |
319 |
1000 |
| 200 |
550 |
260 |
335 |
295 |
265 |
26 |
3 |
12-23 |
380 |
1300 |
| 250 |
670 |
310 |
405 |
355 |
320 |
30 |
3 |
12-25 |
460 |
1700 |
| 300 |
720 |
370 |
460 |
410 |
375 |
30 |
3 |
12-25 |
520 |
2100 |
六、T型三通球閥 產品選型
選型時請填寫《規格書》或注明以下內容:
1、若訂貨前未選定型號,請向我們提供使用參數:1.公稱通徑,2.流體性質(包括公稱壓力、溫度、粘度或酸堿性),3.閥體、閥芯材料。
2、若已經由設計單位選定我公司的產品型號,請按型號直接向我司經營部訂購;
3、當使用的場合非常重要或管路比較復雜時,請您盡量提供設計圖紙和詳細參數,由我們的專家為您審核把關。
溫馨提示:如需詳細產品資料,請與本公司技術部或銷售部聯系,聯系電話021-51078175。
相關名稱:T型三通球閥,三通合流球閥,碳鋼三通球閥